How do I configure a Hager ECR300C kWh Meter for Modbus RS485 Communication with Maxem Energy Controller?
This guide is intended for professional installers.
Introduction
Purpose of this Article
This article explains how to configure the Hager ECR300C kWh meter for Modbus RS485 communication with the Maxem energy controller. Proper configuration is required to ensure that Maxem can read measurement data—such as main connection values—via the energy controller and Maxem Energy Cloud.
Why Correct Configuration Matters
A correct Modbus RS485 configuration ensures that the Maxem energy controller can retrieve measurement values from the Hager ECR300C kWh meter. Without this configuration, Maxem cannot perform Dynamic Load Management when this meter measures the main connection.
1. Safety and Precautions
-
Always follow the safety instructions in the Hager ECR300C installation manual.
-
Configuration must be carried out by a qualified installer familiar with Hager meters.
-
Work voltage-free where possible and ensure all standard safety measures are followed.
2. Required Materials
To complete the configuration, you will need:
-
The installation manual of the Hager ECR300C kWh meter
-
A small flathead or Phillips screwdriver
3. Preparation
Before starting the configuration, ensure that:
-
The Hager ECR300C kWh meter has been fully installed.
-
The Maxem energy controller is installed correctly and connected.
Only then should the Modbus communication settings be configured.
4. Display and Button Overview
Button Functions


-
OK – Confirms a parameter or value.
-
SCROLL – Navigates through menus or adjusts values.
-
ESCAPE – Returns to the main menu or to the previous parameter step.
Note:
If no button is pressed for 20 seconds, the display automatically returns to the main screen and the backlight turns off.
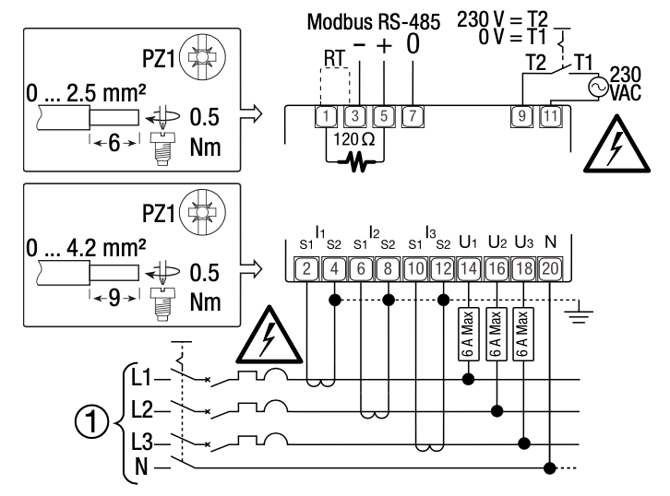
5. Wiring and Connection Information
Wiring kWh meter (For clarification not for configuration)
Modbus RS485 Terminals
-
3 = “–”
-
5 = “+”
-
7 = “0”
Important:
Place a 120 Ω termination resistor across terminals 1 and 5.

6. Modbus RS485 Configuration Steps
Follow these steps to configure the Hager ECR300C kWh meter for communication with Maxem's Energy Controller.
-
Press the SCROLL button for 1 second to choose between Modbus/5A or Modbus/1A, depending on the installed current transformers (CTs).
-
Use SCROLL and confirm with OK to select the correct option.
-
Press SCROLL 7 times to navigate to CONFIGUR.PAGES.
-
Confirm with OK.
-
Under Ct PR 50, set the primary current value using SCROLL. Confirm with OK.
-
At Ct SEC./5A:
-
Confirm with OK, or
-
Change to Ct SEC./1A if applicable and confirm.
-
-
Navigate with SCROLL to Addr 1 (Modbus address).
-
Set the address according to agreements with Maxem.
-
Confirm with OK.
-
-
Navigate to BAUd RATE 19200.
-
Standard value: 19200.
-
Confirm with OK.
-
-
Navigate to PARITY EVEN.
-
Standard value: Even (EVEN).
-
Confirm with OK.
-
-
Navigate to STOP BITS 1.
-
Standard value: 1.
-
Confirm with OK.
-
-
Navigate to BIDIRECT.
-
Choose BIDIRECT (two registers, default) or unidirectional (one register).
-
Confirm with OK.
-
-
Navigate to 1 TARIFF ONLY.
-
Standard value: 1T.
-
Confirm with OK.
-
Reminder:
The display returns to the main page after 20 seconds of inactivity, so ensure you proceed continuously during configuration.
7. Testing the Communication
Once all settings have been saved:
-
After the configuration one of Maxem's employees can verify whether communication with the Hager ECR300C kWh meter is successful.
-
If communication fails, repeat the steps in section 6 to ensure all parameters have been configured correctly.
Need Assistance?
If the meter still does not communicate with the Maxem energy controller after configuration, or if you need additional technical support, please contact Maxem Support via 020-7708 713 via option “Support” and “Maxem Energy Cloud”.
