Hoe configureer ik een Hager ECR300C kWh-meter voor Modbus RS485 communicatie met de Maxem Energy Controller?
Dit document is bedoeld voor ervaren installateurs.
Inleiding
Doel van dit artikel
Dit artikel legt uit hoe je de Hager ECR300C kWh-meter configureert voor Modbus RS485-communicatie met de Maxem energy controller. Een correcte configuratie is nodig om ervoor te zorgen dat Maxem meetgegevens — zoals de waarden van de hoofdaansluiting — kan uitlezen via de energy controller en de Maxem Energy Cloud.
Waarom een Juiste Configuratie Belangrijk Is
Een juiste Modbus RS485-configuratie zorgt ervoor dat de Maxem energy controller meetwaarden kan ophalen uit de Hager ECR300C kWh-meter. Zonder deze configuratie kan Maxem geen Dynamic Load Management uitvoeren wanneer deze meter de hoofdaansluiting meet.
1. Veiligheid en Voorzorgsmaatregelen
-
Volg altijd de veiligheidsinstructies in de installatiehandleiding van de Hager ECR300C.
-
De configuratie moet worden uitgevoerd door een gekwalificeerde installateur die bekend is met Hager-meters.
-
Werk waar mogelijk spanningsloos en zorg dat alle standaard veiligheidsmaatregelen worden nageleefd.
2. Benodigde Materialen
Voor het uitvoeren van de configuratie heb je het volgende nodig:
-
De installatiehandleiding van de Hager ECR300C kWh-meter
-
Een kleine platte of kruiskopschroevendraaier
3. Voorbereiding
Voordat je met de configuratie begint, moet je controleren of:
-
De Hager ECR300C kWh-meter volledig is geïnstalleerd.
-
De Maxem energy controller correct is geïnstalleerd en aangesloten.
Pas daarna mogen de Modbus-communicatie-instellingen worden geconfigureerd.
4. Display- en Knoppenoverzicht
Knoppenfuncties


-
OK – Bevestigt een parameter of waarde.
-
SCROLL – Navigeert door menu’s of wijzigt waarden.
-
ESCAPE – Keert terug naar het hoofdmenu of naar de vorige parameterstap.
Let op:
Als er 20 seconden lang geen knop wordt ingedrukt, keert het display automatisch terug naar het hoofdscherm en gaat de achtergrondverlichting uit.
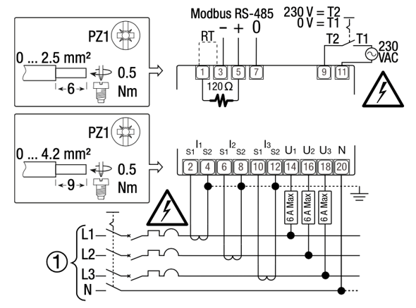
5. Bedradings- en Aansluitinformatie
Bedrading kWh-meter (Ter verduidelijking, niet voor configuratie)
Modbus RS485-aansluitpunten
-
3 = “–”
-
5 = “+”
-
7 = “0”
Belangrijk:
Plaats een 120 Ω eindweerstand over de aansluitklemmen 1 en 5.

6. Stappen voor Modbus RS485-configuratie
Volg deze stappen om de Hager ECR300C kWh-meter te configureren voor communicatie met de Maxem energy controller:
-
Houd de SCROLL-knop 1 seconde ingedrukt om te kiezen tussen Modbus/5A of Modbus/1A, afhankelijk van de gebruikte stroomtransformatoren (CT’s).
-
Gebruik SCROLL en bevestig met OK om de juiste optie te selecteren.
-
Druk 7 keer op SCROLL om naar CONFIGUR.PAGES te gaan.
-
Bevestig met OK.
-
Onder Ct PR 50, stel de primaire stroomwaarde in met SCROLL. Bevestig met OK.
-
Bij Ct SEC./5A:
-
Bevestig met OK, of
-
Wijzig naar Ct SEC./1A indien van toepassing en bevestig.
-
-
Navigeer met SCROLL naar Addr 1 (Modbus-adres).
-
Stel het adres in volgens afspraken met Maxem.
-
Bevestig met OK.
-
-
Navigeer naar BAUd RATE 19200.
-
Standaardwaarde: 19200.
-
Bevestig met OK.
-
-
Navigeer naar PARITY EVEN.
-
Standaardwaarde: Even (EVEN).
-
Bevestig met OK.
-
-
Navigeer naar STOP BITS 1.
-
Standaardwaarde: 1.
-
Bevestig met OK.
-
-
Navigeer naar BIDIRECT.
-
Kies BIDIRECT (twee telwerken, standaard) of unidirectioneel (één telwerk).
-
Bevestig met OK.
-
-
Navigeer naar 1 TARIFF ONLY.
-
Standaardwaarde: 1T.
-
Bevestig met OK.
-
Herinnering:
Het display keert terug naar de hoofdpagina na 20 seconden inactiviteit, dus zorg dat je de configuratie stappen achter elkaar uitvoert.
7. Testen van de Communicatie
Wanneer alle instellingen zijn opgeslagen:
-
Na de configuratie kan een medewerker van Maxem controleren of de communicatie met de Hager ECR300C kWh-meter succesvol is.
-
Als er geen communicatie tot stand komt, herhaal dan de stappen in sectie 6 om te controleren of alle parameters correct zijn ingesteld.
Hulp Nodig?
Als de meter na configuratie nog steeds niet communiceert met de Maxem energy controller, of als je aanvullende technische ondersteuning nodig hebt, neem dan contact op met Maxem Support via 020-7708 713 via optie “Support” en “Maxem Energy Cloud”.
